O Groove Roller
Cat:O Groove Roller
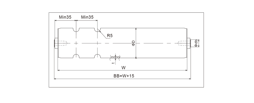
Typ Rollengröße Rollenbreite Rollenmaterial Schachtdurchme...
Fortgeschrittene Struktur, hochwertige Leistung, einfach zu bedienen, hohe Zuverlässigkeit und Haltbarkeit.
O Rillenwalzen werden in leichten Hochgeschwindigkeitsförderanwendungen wie E-Commerce- und Logistiksortiersystemen häufig verwendet. Sie sind kostengünstig, niedrig und gut geeignet für den Hochgeschwindigkeitsbetrieb, typischerweise in 38 mm und 50 mm Durchmesser mit einer Rillentiefe von 5-6 mm.
Warum sich die Wartung von Rollenförderern direkt auf die Lebensdauer des Systems auswirkt Rollenba...
MEHR LESENWas macht einen Rollenförderer wirklich robust? Ein Schwerlast-Rollenförderer wird nicht durch Marketin...
MEHR LESENWas sind Rollenförderer und warum ist der Typ wichtig? Rollenbahnen sind Materialtransportsyst...
MEHR LESENWarum Rollenbahnen das Rückgrat des Materialtransports bleiben Rollenbahnen Verbessern Sie die...
MEHR LESENHandwerkskunst in die Zukunft bringen.
Nr. 60, Zhenhu North Road, Stadt Hudai, Bezirk Binhu , Wuxi 214100, China
+86 139-2153-1116
+86-510-8558 1519/8558 1530
+86-510-8558 1520







